Název etalonu: Státní etalon průtoku plynu Bell Prover v rozsahu od 0,5 m3/h do 280 m3/h
Kódové označení: ECM 140-1/00-008
Rok vyhlášení: 2017
Pracoviště: odd. 5012 ČMI OI Praha
Garant: Ing. Tomáš Valenta
Počet zajišťovaných CMC řádků: 1
| Rozsah průtoků | Nejistota U (k=2) |
| 0,5 m3/h až 280 m3/h | 0,07 % z měřené hodnoty |
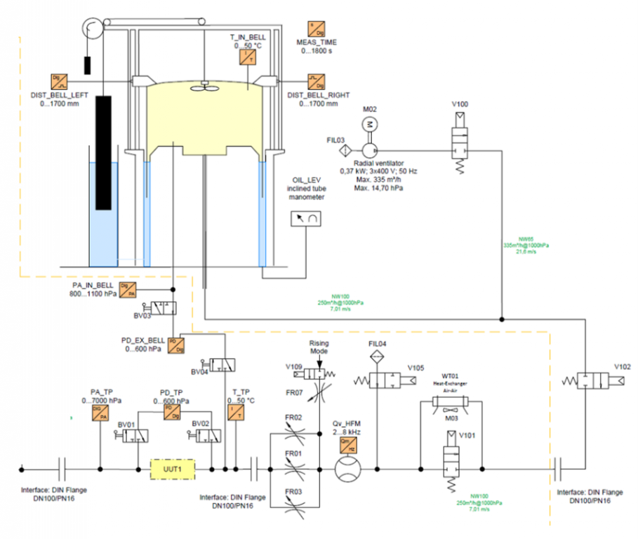
Základní schéma zařízení Bell Prover je na obrázku č.1, fotografie je uvedena na obrázku č.2. Celé zařízení je tvořeno dvěma nádobami. Spodní nádoba je svařovaná válcová ocelová nádoba, do níž je vsazena další válcová vložka. Ve vzniklém meziválcovém prostoru se nachází nízko viskózní olej Shell Morlina 5. Druhá nádoba je tvořena válcovým zvonem otočeném dnem vzhůru, který má stěny částečně ponořeny do oleje a který je zavěšen na ocelovém laně. Zvon sedí na vzduchovém polštáři, který je vytvářen plnícím ventilátorem. Olej ve spodní nádobě tak plní funkci hydraulického uzávěru.

Obrázek č.1 - Schéma zařízení Bell Prover
Na pevné konstrukci spodní vnější nádoby je upevněna nosná konstrukce z ocelových profilů, na nichž jsou umístěny další zařízení Bell Prover. Přesný vertikální pohyb měřicího zvonu je zajištěn pomocí vodících tyčí a kuličkových ložisek. Ložiska jsou uchycena v držácích nahoře na zvonu. Na nosné konstrukci jsou uchyceny ložiskové skříně vodících kladek lana. Takto řešený lanový převod, společně se systémem závaží, zajišťuje kompenzaci vztlakových sil působících na zvon, který se ponořuje do oleje, a dodržení konstantního tlaku pod zvonem během měřicího cyklu. Systém závaží je tvořen dvěma závažími. Jedno závaží, které zabezpečuje konstantní výšku hladiny oleje v meziválcovém prostoru, je uchyceno na ocelovém laně a ponořuje se do olejové nádržky tvořící spojenou nádobu s meziválcovým prostorem spodních nádob. Druhé závaží, které kompenzuje vztlakovou sílu, visí na ocelovém laně, které je vedeno přes excentrický kotouč.

Obrázek č.2 - Fotografie zařízení Bell Prover
Do vnitřního válce spodní nádoby je přivedeno vzduchové potrubí. Do vzduchového potrubí ústí v dolní části spodní nádoby plnící potrubí, které je spojeno přes uzavírací klapku s ventilátorem. Při zapnutí ventilátoru a po otevření uzavírací klapky prochází přes plnící potrubí tlakový vzduch a zvon stoupá do horní polohy.
Na vzduchové potrubí je vně spodní nádoby napojena jinou uzavírací klapku měřicí trať. Otevřením klapky na vzduchovém potrubí před měřicí tratí je vzduch vytlačován tíhou zvonu do zkoušeného měřidla. Pokud by byla tlaková ztráta měřidla větší, než je přetlak generovaný tíhou zvonu, pak je možné zapnout vakuovou pumpu umístěnou na konci měřicí tratě ve vedlejší místnosti. Všechny uzavírací klapky na zařízení Bell Prover jsou poháněny pneumaticky. Na měřicí trati před zkoušeným měřidlem je včleněna boční uzavírací klapku, která se vždy po skončení zkoušky, kdy dojde k rychlému zastavení klesavého pohybu zvonu, otevře, čímž se do prostoru mezi zvon a zkoušené měřidlo umožní nasátí vzduchu, a tím se zabrání poškození zkoušeného měřidla, které by mohlo být náchylné na prudké zastavení. Průtok vzduchu je možno regulovat ruční klapkou a dvěma ventily, které jsou umístěny umístěn na měřicí trati mezi zkoušeným plynoměrem a zvonem.

Obrázek č.3 - Řídící pult zařízení Bell Prover
Celé zkoušení na zařízení Bell Prover je řízeno a ovládáno osobním počítačem, který je vybaven příslušným softwarem (obrázek č.3).
Na začátku zkoušky dojde k otevření uzavírací klapky na měřicí trati, což způsobí vytlačování vzduchu ze zvonu do zkoušeného měřidla. Zvon začne klesat dolů. Po ustálení klesavého pohybu zvonu se při určitém impulsu z plynoměru nebo po vytlačení určitého objemu (při zkoušení měřidel bez pulsního výstupu, např. dýz s kritickým režimem proudění) odečte na dvou inkrementálních pravítkách poloha zvonu. Při konečném předdefinovaném impulsu z plynoměru nebo po vytlačení nadefinovaného objemu vzduchu dojde k odečtu konečné polohy zvonu a zároveň se uzavřou dvě uzavírací klapky na měřicí trati. Poté dojde automaticky k zapnutí ventilátoru a vytlačení zvonu do jeho počáteční polohy. Před další zkouškou se musí počkat na stečení filmu oleje z vnitřních stěn zvonu, který zmenšuje vnitřní průměr zvonu. Ze známého geometrického vyměření zvonu a dále ze změřené délky poklesu zvonu, tlaku pod zvonem a ve zkoušeném plynoměru, teplotě pod zvonem a ve zkoušeném plynoměru během zkoušky a objemu, který zaznamenal zkoušený plynoměr, lze spočítat s jakou chybou zkoušený plynoměr zaznamenal proteklý objem vzduchu. Přesný vzorec výpočtu je uveden v pracovním postupu 512-MP-C103.
Při stoupavém módu se pomocí dvou regulátorů tlaku nastaví vstupní tlak vzduchu, který do zařízení vstupuje z tlakové nádoby o objemu 2,7 m3. Princip zkoušek je pak obdobný, jen se počítá s větší nejistotou měření díky filmu oleje, který ulpívá na vnitřní stěně zvonu.
Během jedné zkoušky jsou všechny měřené veličiny z pomocných měřidel snímány minimálně jedenkrát za sekundu. Na konci každé zkoušky je vypočten průměr ze všech těchto měřených hodnot a je zaznamenána počáteční i koncová hodnota. Teplota uvnitř zvonu je stanovena z elektronického teploměru a pod zvonem, kde je zabezpečena homogenita malým ventilátorkem. Teplota vzduchu ve zkoušeném plynoměru je měřena také elektronickým teploměrem v měřicí trati v blízkosti zkoušeného měřidla. Absolutní tlak ve zvonu je měřen přímo elektronickým tlakoměrem, k němuž je vyvedena hadička z vnitřku zvonu. Diferenční tlak mezi zvonem a zkoušeným měřidlem se měří také elektronickým tlakoměrem, a to nejčastěji z tlakového vývodu “pr“ nebo před dýzou s kritickým režimem proudění. Posun zvonu je měřen dvěma inkrementálními pravítky, která jsou umístěna u broušených vodících tyčí. Při výpočtu chyby zkoušeného plynoměru se používá průměrná hodnota posunu zvonu naměřená těmito dvěma pravítky.
Objem vytlačený zvonem se vypočítá dle postupu uvedeném v dokumentu 512-MP-C103. Geometrické vyhodnocení zvonu bylo provedeno v Physikalisch-Technische Bundesanstalt (PTB) a je popsáno v dokumentu Calibration certificate of Bell Prover type PTB-D1400, calibration mark 14-14066.